Description
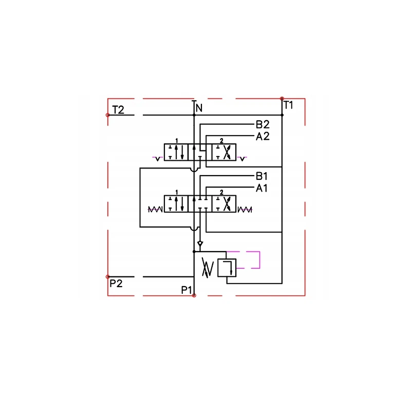
Lorsque vous alimentez votre moteur hydraulique et que vous ramener le levier d’un seul coup au milieu avec un schéma normal vous bloquez le moteur comme vous bloqueriez un vérin par exemple. Mais le moteur lui, il a déjà pris de la vitesse et ne peut pas passer de 500 tr/mn à 0 d’une seconde à l’autre.
Il lui faut donc une sorte de ”roue libre” qui est réalisé par ce schéma de distributeur particulier.
Ce distributeur hydraulique est particulièrement adapté à toute application sur des circuits hydrauliques ne dépassant pas 40 l/mn.
Caractéristiques de ce distributeur hydraulique 2 DE + 1 DE spécial moteur :
- Deux fonctions : deux fonction double effet + une fonction double effet spécial moteur
- Débit maximal supporté : 80L/min.
- Retour automatique du levier au milieu pour le double effet, et crantage pour le moteur.
- Implantation 1/2 BSP (A et B) pour les sorties du côté vérin.
- Implantation 3/4 BSP (P et T) pour l’arrivé et la sortie.
- Implantation pour connexion centre à suivre: 3/4 BSP
- Limiteur de pression réglé usine à 180 Bars. (Réglage possible 30 bars / tour)
- Limiteur de pression intégré et réglable pour une pression maximum de 250 bars.
- Pression maximum sur les sections: 300 Bars
- Pression maximum sur l’alimentation pression: 250 bars
- Pression maximum sur le retour (T) 50 bars
Pour une utilisation en Centre à suivre (CS) utilisez le bouchon FGCS080
Avantages :
Un distributeur pour des professionnelles exigeants en terme de performances.
Simple à installer :
Distributeur livré avec sa notice de montage et d’utilisation en Français.








Avis
Il n’y a pas encore d’avis.